Сторінка
2
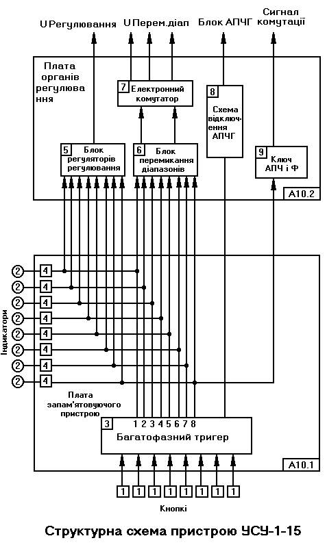
Пристрій відключення (блокування) АПЧГ
У момент переключення програм пристрій формує негативний імпульс тривалістю не менше 0,3 секунд, необхідний для усунення помилкових настроювань селектора каналів.
Пристрій являє собою одновібратор на транзисторах, VТЗО i VТ31.
У вихідному, стані (контакти кнопки SВ2 замкнуті) транзистор VТЗ1 відкритий базовим, струмом від джерела 12 В через резистор R51 i діод VD7, а транзистор VТЗО закритий, тому що,його база через резистор R53 і відкритого до насичення транзистор VТ31 замкнутий на корпус. Конденсатор C10 при цьому заряджений тoком, що надходить із субмодуля радіоканалу А1.3 через контакт 9 з'єднувача Х2 (АЗ), діод VD7 і проміжок база-эмiттер відкритого транзистора VТ31. При переключенні програм напруга, на резисторі R29 збільшується і стрибок напруги передається через конденсатор C9 на базу транзистора VТЗО і відкриває його. Заряджений конденсатор
C10 позитивною обкладкою з'єднується з корпусом через відкритий транзистор VТЗО, у результаті перехід база-эмиттер транзистора VТ31 виявляється зміщеним у зворотному напрямку і транзистор закривається. База транзистора VТЗО виявляється під позитивною напругою від джерела 12В, і транзистор залишається відкритим доти , поки конденсатор C10 не перезарядиться до напруги відкривання транзистора VТ31 від джерела 12 В через резистор R51. Через час 0,3 секунд транзистор VТ31 відкривається, закриваючи при цьому транзистор VТЗО. На лівій обкладці конденсатора C10 потенціал стає нижче, ніж на правий.
При переключенні транзистора VТЗО на його колекторі формується негативний імпульс відключення АПЧГ. Час блокування AПЧГ визначається величиною ємності конденсатора C10.
У пристрої відключення АПЧГ передбачене ручне відключення системи АПЧГ за допомогою перемикача SВ2.
При розмиканні контактів на базу транзистора VТЗО надходить позитивний потенціал від джерела 12 В через резистори R52 і R53, у результаті транзистор VТЗО відкривається, і низькiй потенціал його колектора блокує систему АПЧГ. Відключення системи АПЧГ необхідно для ручного настроювання телевізора на необхідний канал.
Електронний комутатор діапазонів
Електронний комутатор діапазонів складається з блоку механічних перемикачів на три положення SА1.1-SА1.8 і електронного комутатора на транзисторах VТ32-VТ34. Напруга 31 В с колектора транзистора VТ21 (при включеному першому осередку тригера) через розділовий діод VD1 надходить через замкнуті контакти перемикача SА1 і обмежувальний резистор R56 і r58 (у залежності від положення перемикача SА1) відповідно на базу транзистора VТ32 чи VТЗЗ і відмикає його.
Ця ж напруга через діод D19 чи D20 надходить на базу транзистора (р-n-р) VТЗЗ і підтримує його в закритому стані.
Напруга 12 В через один з відкритих транзисторів VТ32 (для діапазону І-ІІ МВ) чи VТ34 (для діапазону ІV-V ДМВ) надходить на селектор каналів СК-М-24 чи СК-Д-24.
У середнім положенні перемикача SА1.1 транзистори VТ32 і VТ34 замкнені, а транзистор VТЗЗ відкритий, тому що його эмиттер підключений до джерела 12 В, база через резистор R57 з'єднана з корпусом, тому перехід Б-3 зміщений у прямому напрямку і напруга 12В через відкритий перехід эмиттер-коллектор надходить у ланцюг живлення селектора каналів СК-М-24 (діапазон ІІІ).
Діоди VD1-VD8 служать для усунення впливу включеного осередку На інші осередки, якщо кожна з них включена в однаковому положенні.
Багатофазний тригер.
У функції багатофазного тригера входить підтримка в , включеному стані пристрою запам'ятовування тієї -програми, що включена шляхом натискання однієї з кнопок і ключів потенціалу настроювання, призначених для подачі напруги на органи настроювання. Багатофазний тригер містить вісім однакових по схемній побудові комірок пам'яті, кожна з яких виконана на
різнополярних транзисторах VT1-VТ8 я VТ11-VТ18. Эмиттеры транзисторів VТ1-VТ8 мають загальне навантаження R9, тому включена тільки один осередок, а інші виключені (у даному випадку перша).
Як приклад розглянемо осередок 1 (транзистори УТ1, УТ11). В включеному стані обоє транзистора закриті. При натисканні кнопки першої програми замикаються контакти вимикача 5В 1.1. Це приводить до відкривання транзистора VТ1, на базу якого через дільник R49, R21 надходить позитивнa напругa від джерела 12 В. Колекторний струм транзистора VТ1 створює спадання напруги на резисторі R31, що приводить до відкриття транзистора VТ11. Спадання напруги на резисторах R21, R41, створюване колекторним струмом цього транзистора, ще більше відкриває транзистор VТ1. У результаті лавиноподібного процесу відкриваються обоє транзистора, причому VТ11 переходить у режим насичення, а VТ1 у режим підсилення. При протіканні струму двох транзисторів через резистор R9 напруга на ньому різко зростає. Унаслідок цього раніше відкритий n-р-n транзистор іншого осередку закриється, тому що потенціал эмиттера перевищує потенціал бази, що фіксований базовим дільником. Це викликає лавиноподібний процес закривається раніше включений осередок і відкривається нова. З колектора транзистора VТ11 і, що знаходиться в режимі насичення, напруга 30 В подається: на індикатор - світлодіод Через резистор R61; на потенціометр настроювання першої програми через крапку 1.1-R70; на перший перемикач діапазонів SА1; на відповідний транзистор ЭК піддіапазонів (VТ19-VT21).
Щоб при включенні телевізора включався перший осередок, між шиною 30 В И базою транзистора VT1 включений ланцюг R50, C10. Переважне включення першого осередку здійснюється примусовим відкриттям її в момент включення телевізора. Осередок відкривається через появу на базі транзистора VT1 короткочасного позитивного імпульсу, створюваного струмом зарядки конденсатора C10.
Підключення модуля дистанційног керування до телевізорівВідомо, що сучасні СДУ будують, як правило, на спеціалізованому комплекті мікросхем КР1506ХЛ1 (передавач) і КР1506ХЛ2 (приймач) з використанням для комутації телевізійних каналів мультиплексора ДО561КП2 чи подібного з ним. Переключення програм у цих телевізорах відбувається в блоці СВП-4-1 імпульснимспособом, комутацією напруги 50 .60 У. Для узгодження блоку виборупрограм зі СДУ необхідно установити спеціальний релейний модуль.Модуль УПЧЗ телевізорів побудований на мікросхемі ДО174УР1. Для підключення СДУ до каналу звуку необхідно змонтувати модуль узгодження.Спочатку розрізають провідник, що йде від контакту 1 рознімання Х3 до контакту 2 рознімання Х13 (у нього включений модуль AS3 - РОЗУМ1-3). З контакту 1 рознімання Х3 звуковий сигнал подають на вхід модуля узгодження, вихід якогопідключають до контакту 2 рознімання Х13. Модулем узгодження керують зміною напруги з СДУ. Усі знову введені з'єднання виконують екранованим проводом. Для підключення до ланцюгів регулювання яскравості відповідний вихід приймача СДУ припаюють у модулі AS8 - М2-3-1 до крапки з'єднання резисторів R8 (9,1 підключений до контакту 4 рознімання Х18) і R14. Для зручності монтажу і наступного обслуговування зручніше замінити резистор R8 перемичкою, а сам резистор упаяти безпосередньо в крос-плату замість перемички, що з'єднує контакт 4 з іншими блоками. Іншими словами, поміняти цю перемичку і резистор R8 місцями.У цьому випадку вихід регулювання яскравості СДУ підключають до контакту 4 рознімання Х18 на блоці БОС-3. При узгодженні з ланцюгами регулювання контрастності відповідний вихід СДУпідключають до контакту 7 рознімання Х18 у модулі яркістного каналу AS8 - М2-3-1, а для керування насиченістю відповідний вихід СДУ приєднують до контакту 16 цього рознімання. Приймач СДУ на мікросхемі КР1506ХЛ2 у телевізорах УПИМЦТ-61/67 бездодаткового джерела живлення працювати не зможе, оскільки в нихвідсутня необхідна їй напруга 28 В. Застосування ж додатковогоджерела тільки розширить експлуатаційні функції СДУ, тому що дозволить увести черговий режим роботи, у якому усі вузли телевізора знеструмлені, крім СДУ. Якщо у СДУ немає чергового режиму, то напруга 220 В для додаткового джерела живлення підводять з контактів 5 і 8 вилки рознімання Х5 у блоці БТ-11. Якщо в СДУє черговий режим (є присутнім реле ), то необхідно відпаяти провідники, що йдуть з блоку керування А4 до контактів 5 і 8 вилки рознімання Х5 блоку БТ-11 і з'єднати їх з блоком живлення СДУ. Далі, припаявши провідники до контактів 5 і 8 цієї вилки, підключають їх до контактів реле СДУ.2. "Електрон Ц-265", "Електрон Ц-282", "Електрон Ц-382" і "Темп Ц-280". Оскільки переключення програм у цих телевізорах забезпечується комутацієюнапруги +12 В, те це дозволяє підключити СДУ безпосередньо до блоку УСУ-1-15-1. У загальний ланцюг сенсорів включений резистор R9 опором 360 Ом, і загальний вихід вузла переключення програм СДУ підключають після нього. Інші вісім виходів переключення програм припаюють до відповідного сенсора. У каналі звуку відповідний вихід СДУ підключають до контакту 6 рознімання Х9(А1) у модулі МРК-21.Для регулювання яскравості відповідний вихід СДУ припаюють до контакту 1 рознімання Х5(А2) у модулі МЦ-31 (чи МЦ-41). З метою регулювання контрастності відповідний вихід СДУ підключають після резистора R6 для МЦ-31 (чи R2 для МЦ-41) опором 20 кому, з'єднаного з контактом 3 рознімання Х5(А2). Для регулювання насиченості відповідний вихід СДУ з'єднують з контактом 2 цього ж рознімання. 3. "Електрон Ц-280", "Електрон Ц-380" і "Рекорд Ц-275", "Рекорд Ц-280". Блок вибору програм (БВП) у них - УСУ-1-15. Підключення до нього аналогічно відповідному пункту роздягнула 2, за винятком того, що в загальний ланцюг сенсорів включений резистор R49 опором 3,6 кому чи 56 кому і загальний вихід переключення програм СДУ підключають до нього, тобто безпосередньо до загального висновку сенсорів.Для регулювання гучносності відповідний вихід СДУ підключають до контакту 6 рознімання Х9 (А1) у модулі МРК-2-5. У ланцюгах яскравості відповідний вихід СДУ з'єднують з контактом 1 рознімання Х5 (А2) у модулі МЦ-2 (чи МЦ-3).Для керування контрастністю відповідний вихід СДУ підпоюють після резистора R4 у модулі МЦ-2 (МЦ-3) опором 3,9 кому, з'єднаного з контактом 3 рознімання Х5 (А2). З метою регулювання насиченості відповідний вихід СДУ підключають до контакту 2 рознімання Х5 (А2) у модулі МЦ-2 (чи МЦ-3).
| МОЖЛИВІ НЕСПРАВНОСТІ ПРИСТРОЮ УСУ-1-15 | |
| Несправності | Усунення несправностей |
|
Немає зображення і звуку на якому-небудь діапазоні |
Перевірити наявність напруги 12 В на одному з контактів 2, 3 чи 5 (у залежності від обраного діапазону) з'єднувача Х2 (АЗ). Перевірити справність транзисторів VТ32-VГ34, резисторів R56-R58 и їхніх ланцюгів. Несправний транзистор замінити. |
|
При включенні телевізора включається будь-яка програма, крім першої |
Перевірити ланцюг кращого включення першої програми - елементи: R20, C1; перевірити надходження напруги 12 В на конденсатор C1. |
|
Не переключаються програми, постійно включена одна програма, наприклад, перша |
Пробито транзистор VТ11 чи VТ21. Несправний транзистор замінити. |
|
Не включається одна з програм, наприклад, друга |
Перевірити справність кнопки даної програми і надходження напруги +12 В на базу транзистора VТ12 при її натисканні: якщо при натисканні кнопки програма включається, а при відпусканні виключається - перевірити справність резисторів R32, R12 |
|
Немає зображення і звуку на кожному з каналів |
Відсутня напруга настроювання (0,5-28 В) на контакті 6 з'єднувача Х2 (АЗ). Перевірити наявність напруги 31 В на контакті 4 з'єднувачі Х4 (А9) і 12 В на контакті 1 з'єднувача Х4 (А9); перевірити справність перемінного резистора R59. |
|
Мимовільне відключення обраної програми, індикатор при цьому також гасне |
Поганий контакт у живильних ланцюгах 12 В; 31 В. Особливо уважно перевірити надійність пайок у платі, на якій кріпляться кнопки переключення програм, об'єднані зі світлодіодами. Виявлений дефект монтажу усунути. |
