Сторінка
1
Рекогностування полігонометричних ходів — це уточнення проекту ходів на місцевості і остаточний вибір місць закладання пунктів.
При рекогностуванні перевіряють взаємну видимість між пунктами і якщо вона відсутня, здійснюють заходи для її забезпечення шляхом усунення перешкод на шляху візирного променя, зміни місця закладання пункту тощо.
Місця для закладання пунктів вибирають так, щоб забезпечувалась їхня непорушність і довготривала збереженість. Тому не можна вибирати місця на зсувних ділянках, на ріллі, на штучних насипах, на проїжджих частинах доріг, на територіях, які підлягають забудові тощо. Пункти повинні бути закладені в таких місцях, щоб візирний промінь проходив не ближче ніж 0.5 м від перешкоди. Для дотримання вимог техніки безпеки пункти полігонометрії не повинні знаходитись дуже близько до колії, ліній електропередач високої напруги тощо.
При виборі місць закладання ґрунтових центрів враховують наявність підземних і наземних комунікацій і майбутню забудову. На забудованих територіях місця закладання полігонометричних пунктів вибирають переважно в фундаментах і стінах капітальних бетонних або цегляних споруд, передбачаючи закріплення їх стінними центрами.
Вибрані на місцевості місця закладання пунктів закріплюють тимчасовими центрами: кілками, металічними стержнями тощо і складають на них абриси з прив’язкою до постійних предметів місцевості.
Виготовлення і закладання центрів
Пункти полігонометричних мереж закріплюються на місцевості центрами. Центри служать для точного позначення місця розміщення пункта і довготривалого його збереження. Центри можуть мати різну конструкцію, в залежності від фізико-географічних умов їх закладання. Пункти планових мереж закріплюються ґрунтовими, скельними, стінними центрами, а також пунктами на будівлі.
Типи центрів геодезичних мереж регламентуються “Інструкцією про типи центрів геодезичних пунктів” (ГКНТА — 2.01, 02–01–93), ГУГК і К, Київ, 1994 [3]
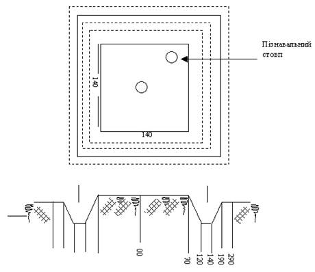
Зокрема, вузлові пункти полігонометричних мереж 4 класу та суміжні з ними пункти 4 класу закріплюються центрами типу 160 (рис. 3.5).
Ці центри закладаються на глибину, що знаходиться нижче межі промерзання ґрунту на 50 см. Таким чином, висота залізобетонного моноліту становить не менше 120 см.
Рис. 3.5 Центр пункту полігонометрії 4 класу (тип 160)
Зовнішнє оформлення центру типу 160 виконують обкопуванням квадратної форми з канавою, розміри якої приведені на рис. 3.6
Рис. 3.6 Зовнішнє оформлення центру типу 160
Інші пункти полігонометричних мереж 4 класу (тобто не вузлові і не суміжні з вузловими), а також пункти полігонометрії 1 і 2 розрядів закріплюються менш капітальними монолітами, висота яких становить 70–75 см. На незабудованих територіях закладають центр типу У15Н, на забудованих — типу У15 або У15к (див. рис.2.17, 2.18,2.19). Про виготовлення і закладання вказаних типів центрів розповідалось в п.2.3.1.
На забудованих територіях пункти полігонометрії також можуть бути закріплені стінними знаками. Загальний вигляд стінного знаку типу 143 показано на рис 3.7.
Рис. 3.7 Стінний знак типу 143
В стіні або фундаменті капітальної будівлі видовбують отвір, у який на цементному розчині встановлюють стінний знак. Використовувати його для роботи можна не раніше ніж через два дні після закладання.
На забудованих територіях пункти планових мереж усіх класів і розрядів встановлюють також на будівлях. В цьому випадку застосовується конструкція типу У16 що була розглянута в п.2.3.1 (рис.2.16).
Кутові вимірювання в полігонометричних ходах
Способи кутових вимірювань
Застосовують два способи кутових вимірювань в полігонометричних ходах: спосіб вимірювання окремого кута і спосіб кругових заходів.
Спосіб вимірювання окремого кута застосовується, якщо на пункті два напрямки. В цьому випадку вимірюється кут між двома напрямками.
Якщо на пункті три або більше напрямків, застосовується спосіб кругових заходів. В цьому випадку вибирається початковий напрямок і вимірюються усі напрямки по відношенню до початкового.
Три і більше напрямків вимірюють на вузлових точках, на прив’язках до державних мереж тощо.
Кількість заходів вимірювання кутів
Кількість заходів вимірювання кутів залежить від класу чи розряду полігонометрії та від точності теодоліта. Вона регламентується табл. 3.2.
Таблиця 3.2
Кількість заходів вимірювання кутів у полігонометрії
| Точність теодоліта | Клас або розряд | ||
| 4 клас | 1 розряд | 2 розряд | |
| 1″ | 4 | – | – |
| 2″ 5″ | 6 – | 3 4 | 2 3 |
Підготовка до вимірів
Кожний захід вимірювання кута виконується на певній частині лімба. Для кожного заходу вимірювання попередньо обчислюється установка лімба, при якій виконується наведення на початкову точку.
Якщо на пункті два напрямки, то за початкову вибирається ліва (задня в ході) точка, якщо три напрями — будь-яка з трьох але як правило вибирають точку з найкращими умовами спостережень.
Між заходами лімб переставляють на величину
|
|
(3.31) |
Інші реферати на тему «Географія фізична, геологія, геодезія»:
Проектно-вишукувальні роботи
Проектування рекультивації земель
Висотні геодезичні мережі
Активізація пізнавальної діяльності учнів під час вивчення географії
Планування та організація виконання комплексу топографо-геодезичних робіт при створенні планів в масштабі 1:2000 на Івано-Франківському об’єкті
