Сторінка
5

Розробка змісту тестового контролю навчальних досягнень учнів з теми "Постійний струм"

Рівень С.

К кінцям кола, зображеного на малюнку, підведена напруга 270 В. Який струм буде показувати амперметр, якщо опір резисторів 135 Ом7

А. 1А

В. 4А

С. 2А

D. 0,5 А

E. Неможна визначити.

 

Визначити внутрішній опір джерела струму, якщо при розімкнутому ключі К скрізь резистор R1 = 2 Ом протікає струм 2,5 А, а при замкнутому ключі, скрізь резистор R2 = 4 Ом протікає струм 1 А.

А. 2/3 Ом

В. 2 Ом

С. 0,2 Ом

D. 2,6 Ом

Е. 0,5 Ом

 

У колах, зображених на малюнках, потужність на завнішніх ділянках кола однакова. Визначити внутрішній опір джерела струму, якщо опір реостату 100 Ом, Х=1/5L. (Де L – довжина намотаної частини реостату),

А. 0,4 Ом

В. 4 Ом

С. 20 Ом

D. 0,2 Ом

Е. 40 Ом

 

Які з приведених ламп не будуть горіти на схемі, якщо до кінців кола підвести постійну напругу?

А. Тільки 4

В. Тількі 2

С. 1, 3 і 5

D. 2 і 4

Е. Жодна з ламп.

 

В колі, зображеному на малюнку, вольтметр показує 10 В, а амперметр 1 А. Конденсатор ємністю 3 нф має заряд 60 нКл. На скільки зміняться показники вольтметру, якщо трапиться пробій конденсатору? ЕРС джерела 40 В, його внутрішній пір 1 Ом (R1 = R2 R3 R4)

А. Збільшаться на 10 В.

В. Зменшаться на 10 В.

С. Збільшиться на 20 В.

D. Зменшаться на 20 В.

Е. Зменшаться на 5 В.

 

Два конденсатори ємністю C1=2 мкФ та C2= 8 мкФ з’єднані послідовно. Їх зарядили від джерела струму з напругою 100 кВ та від’єднали від джерела струму. Яку кількість тепла виділиться на резисторі з опором R, якщо його приєднати паралельно до конденсатора ємністю C2

А. 0,016 мДж.

В. 1,6 мкДж

С. 0,16 мДж

D. 0,8 Дж

Е. 16·10-5 кДж

 

До кінців кола підведена напруга 40 В, максимальний струм, який проходить скрізь кожну лампу не перевищує 0,75 А. Які з ламп засвітяться при підключенні? (R=10 Ом)

А. Тільки перша.

В. Перша й друга.

С. Перша, друга й третя.

D. Загоряться всі лампи

Е. Жодна не загориться.

 

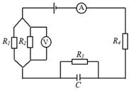
Як зміняться показники амперметра та вольтметра на схемі, якщо рухати повзунок реостату за напрямком стрілки?

А. Показники амперметра збільшаться, а вольтметра – зменшаться.

В. Показники амперметра зменшаться, а вольтметра – збільшаться.

С. Показники амперметра і вольтметра збільшаться.

D. Показники амперметра і вольтметра зменшаться.

Е. Не зміняться.

 

Який з приведених виразів справедливий для кіл, вказаних на малюнках, якщо максимальний струм у цих колах однаковий, максимальна потужність на зовнішній ділянці кола (мал 1) в два рази більша, ніж у схемі (мал 2).

А. ?1= ?2; r1= r2

В. ?1= 2?2; r1= r2

С. ?1= ?2; r1=1/2 r2

D. 2?1= ?2; r1= r2

Е. ?1=2?2; r1= 2r2

 

При одночасному замиканні ключа К1 та ключа К2, амперметр показує 5 А. Яка напруга на кінцях кола, якщо R1=2R2=2R3=4R4=20 Ом.

А. 100 В.

В. 200 В

С. 250 В.

D. 125 В.

Е. 400 В.

 

Перейти на сторінку номер:
 1  2  3  4  5  6  7 


Інші реферати на тему «Педагогіка, виховання»: