Сторінка
6
Рис. 1. Логічні елементи на комутаційних пристроях:
а, б – таблиця істинності елемента І; елемент І;
в, г – таблиця істинності елемента АБО; елемент АБО;
д, е – таблиця істинності елемента НЕ; елемент НЕ.
В процесі вивчення розділу, особливу увагу слід приділити логіці обробки інформації функціональними вузлами, практиці отримання синтезу електронних схем на основі законів алгебри логіки, набутті практичних умінь роботи з інтегральними схемами.
Наявність великого числа функціональних вузлів цифрової техніки, необхідність послідовного та глибокого вивчення принципу їх роботи вимагає від керівника гуртка не лише ретельного планування, а й визначення найбільш доцільних форм та метотів проведення гурткових занять.
Підвищити ефективність навчального процесу, надати йому більшої динамічності та колоритності можна за умови добре продуманої та організованої дослідно-експериментальної роботи гуртківців. Пояснення логічних операцій доцільно супроводжувати їх моделюванням на основі коммутаційних пристроїв (кнопок та вимикачів), ввімкнених у найпростіше электричне коло (рис.1).
Це необхідно, насамперед, для того, щоб учні краще зрозуміли зв'язок між математичним описом логічної послідовності і його електричним еквівалентом, засвоєли принцип побудови таблиці істинності.
В аналогічній послідовності слід будувати процес вивчення законів алгебри логіки. Тут доцільно подати спрощений алгоритм синтезу однотактних автоматів, вказати на потребу мінімізації їх структурної формули. Практичну частину заняття слід присвятити синтезу схем найпростіших автоматів та їх реалізації на комутаційних пристроях.
В ході вивчення елементів цифрової техніки, доцільно ознайомити гуртківців з історією виникнення цифрової електроніки, перспективах розвитку елементів цифрової електроніки, основних факторах, що стимулюють цей розвиток.
При вивченні кожної підгрупи цифрових ІС необхідно, після пояснення теоретичного матеріалу, проводити лабораторну роботу, спрямовану на закріплення отриманих знань та фронтальну практичну роботу з застосуванням ІС досліджуваних функціональних підгруп та видів.
При проведенні лабораторних та практичних робіт доцільно використовувати спеціальні модулі, призначені для імітації логічних рівнів вхідних сигналів та забезпечення візуального контролю за станом виходів цифрових ІС.
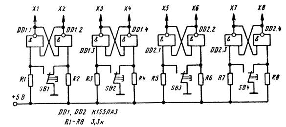
Модуль СЛР – статических логічних рівнів (рис.2), у початковому стані, має рівні логічного 0 на виходах XI, ХЗ, Х5, Х7 та рівні логічної 1 на виходах Х2, Х4, Х6, Х8. При замиканні контактів кнопок SВ1—SВ4 стани виходів змінюються на протилежні. При їх розмиканні - на виходах ХІ-Х8 відновлюються вихідні стани. У модулі використано малогабаритні кнопки типу КМТ-1.
Рис. 2
Рис. 3
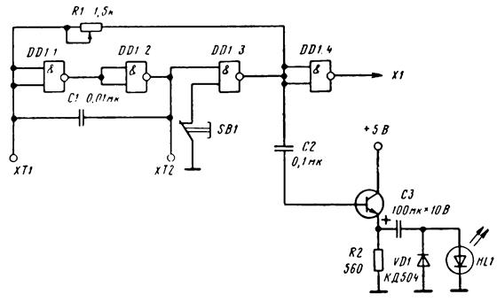
Модуль ГОІ – генератор одиничного імпульсу (рис.3) – виробляє одиночний імпульс позитивної (вихід XI) або негативної (вихід Х2) полярності при одноразовому замиканні контактів кнопки SВ1. Про проходження імпульсу з виходу генератора сигналізує спалах світлодіода НL1. У модулі використано малогабаритну кнопку типу КМ-1 та світлодіод видимого спектру випромінювання.
Рис. 4
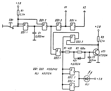
Модуль ГІ – генератор імпульсів (рис.4) – при замиканні контактів кнопки SB1 генерує електричні сигнали прямокутної форми. Частоту сигналу можна змінювати, у певних межах, резистором R1. Діапазон регулювання частоти можна також змінити, підключивши до клем ХТ1, ХТ2 додатковий конденсатор. При номіналах елементів, зазначених на схемі, частоту генератора можна змінювати в діапазоні 0,1 - 1Мгц. Індикація світлодіода НL1 свідчить про наявність імпульсів на виході генератора. У модулі використано малогабаритну кнопку типу КМТ-1 та світлодіод видимого спектру випромінювання.
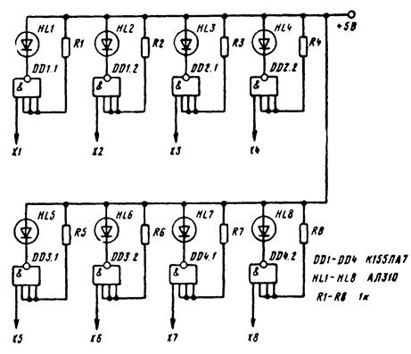
Модуль І – індикації (рис.5) – призначений для забезпечення візуального контролю за станом входів та виходів цифрових ІС. Робота індикаторів НL1-НL8 свідчить про подачу на відповідні входи модуля рівнів логічної 1. У модулі використано світлодіоди видимого спектру випромінювання.
Зауважимо, що подані схеми модулів сумісні з цифровими інтегральними схемами ТТЛ (мікросхеми цієї серії виготовлені за, так званою, біполярною технологією; вони містять елементи, подібні на окремо виготовлені (дискретні) біполярні транзистори, діоди і резистори, причому діоди виготовляють на основі транзисторів – звідси й назва ТТЛ – транзисторно-транзисторна логіка). Аналогічні модулі доцільно виготовити і для роботи з ІС КМОН (ці мікросхеми будують за так званою МОН-технологією – метал-оксид-напівпровідник).
Рис. 5
Підвищений інтерес до цієї серії мікросхем викликаний у зв'язку з їх малою споживаною потужністю, що дозволяє виготовляти конструкції з автономним джерелом живлення.
В процесі вивчення розділу “Елементи цифрової техніки”, окрім виконання лабораторних робіт, програмою радіотехнічних гуртків передбачено практичне конструювання нескладних електронних блоків, що містять цифрові інтегральні схеми. Це сприятиме кращому засвоєнню теоретичного матеріалу, виробленню практичних умінь роботи з цифровими мікросхемами, розширенню загального політехнічного світогляду школярів.
Розробка лабораторних робіт до розділу «Елементи цифрової техніки»
Ефективність процесу вивчення розділу “Елементи цифрової техніки”, усвідомленого сприйняття та засвоєння учнями теоретичних основ функціонування сучасних електронних приладів залежить від багатьох як об’єктивних так і суб’єктивних чиннників, зокрема, організаційних форм та методів проведення занять, дидактичних підходів, прийомів тощо.
Чільне місце в цьому процесі відведено лабораторному практикуму.
Залучення учнів до виконання лабораторних робіт на заняттях шкільного радіотехнічного гуртка в ході вивчення розділу “Елементи цифрової техніки”, переслідує такі основні цілі:
закріплення теоретичних знань з основ математичної логіки;
вироблення вміння застосовувати їх у практичній діяльності (синтез електронних схем на логічних елементах);
закріплення практичних умінь з радіотехнічного експерименту:
розвиток творчих конструкторських здібностей;
виховання культури праці.
Зміст кожної лабораторної роботи містить основні теоретичні відомості, які стосуються виконуваного експерименту, запитання для самоконтролю глибини і якості їх засвоєння. Лабораторні завдання не лише пов’язують елементи теорії з виконанням експерименту, а й являють собою основу для самоконтролю результатів, оскільки усі розрахункові вихідні дані моделюються експериментом.
Дослідження роботи логічних елементів
Мета роботи: ознайомитись з принципом роботи та основними характеристиками найпростіших логічних елементів.
Обладнання: монтажна плата, радіодеталі (згідно поданих схем), паяльник, монтажні проводи, авометр.
Інші реферати на тему «Педагогіка, виховання»:
Реалізація принципів педагогіки толерантності. як необхідна умова формування гуманістичних цінностей підростаючого покоління
Аналіз поєднання традицій та новацій середньої музичної освіти
Формування у молодших школярів навичок естетичного сприймання у процесі використання творів живопису
озробка учбового матеріалу для викладання вищої математики на тему "Наближені методи обчислення визначених інтегралів"
Дистанційний курс навчання з дисципліни "Методи та системи штучного інтелекту"
