Сторінка
11
Перевірте роботу такого лічильника-подільника, змоделювавши його на макетній платі.
На практиці, функції лічильників та подільників виконують спеціально розроблені мікросхеми підвищеного ступеня інтеграції. У серії К155, наприклад, це лічильники типу К155ИЕ1, К155ИЕ2, К155ИЕ4 та інші.
Завдання
Ознайомтесь з теоретичними відомостями.
Використовуючи макетну плату, зберіть схему трирозрядного лічильника імпульсів подану на рис. 16.
Пересвідчившись в правильності монтажу та надійності з’єднань, подайте на схему живлення.
Дотримуючись послідовності (описаної в теоретичних відомостях) дослідіть його роботу. Накресліть часові діаграми роботи лічильника.
Для дослідження лічильника-подільника (дослідну схему зображено на рис. 17), виконайте пункти 1 - 4. Запишіть результати дослідження.
Співставте результати. Зробіть висновки.
Контрольні запитання
В чому полягає суть процесу поділу частоти?
Охарактеризуйте принцип роботи лічильника-подільника.
Яке призначення виконує логічний елемент 2І-НЕ в лічильниках-подільниках?
Відбір об’єктів конструювання
Творча технічна діяльність являє собою комплексну пізнавально-перетворюючу діяльність, яка складається із множини взаємозв’язаних компонентів, таких, як теоретичні дослідження, експерименти, вирішення технічних завдань, побудова технічних об’єктів, їх випробування. Завдяки цій діяльності учні набувають поглиблених знань про навколишній світ, переконуються в правильності власних міркувань, які в процесі технічної діяльності підтверджуються або ж спростовуються, набувають важливих практичних умінь та навичок.
Одним з головних чинників підвищення ефективності занять радіотехнічних гуртків є практична робота з конструювання технічних об’єктів. Тому, при їх відборі, потрібно ретельно враховувати інтереси, здібності та можливості школярів. Робота над об’єктами конструювання пов’язана з застосуванням ряду трудових операцій. Всі вони повинні бути передбачені тематикою гуртка. Окрім того, слід дотримуватись оптимального співвідношення часу, який затрачається на виконання кожної з цих операцій.
Таким чином, при відборі об’єктів конструювання, керівник гуртка опиняється перед необхідністю враховувати цілий ряд вимог.
Спробу сформувати узагальнені критерії відбору об’єктів праці зробило багато авторів методичних посібників та дослідників проблеми трудового навчання та виховання. Так Д. О. Тхоржевський виділяє наступні критерії:
вироби повинні бути суспільно корисними:
технологія виготовлення виробів повинна складатись із операцій, передбачених навчальною програмою;
робота повинна бути посильною для учнів (з огляду точності виготовлення) і вкладатись, в заплановані на виготовлення норми часу;
за признеченням та особливостями конструкції вироби повинні бути доступні розумінню учнів.
В. М. Аридін вважає, що при відборі об’єктів конструювання, керівник гуртка повинен виходити з таких міркувань:
доступність розуміння учнями принципу роботи технічного пристрою;
розуміння суті фізичних процесів при виготовленні та налагодженні виробу;
можливість виготовлення за відведений час;
освітня та виховна цінність виробу;
наявність необхідних матеріалів та обладнання.
Г. Є. Левченко акцентує увагу на такі функції об’єктів праці як комплексність, технологічність, типовість трудових операцій, естетичність, трудоємкість, безпечність. «При відборі об’єктів конструювання важливо правильно розрахувати відносну питому вагу самостійності школяра, які творчі елементи проявляє він, які емоції і почуття збуджує у нього виготовлення даного виробу .».
На основі вказаних критеріїв нами відібрано та рекомендовано для повторення ряд електронних схем, які можуть бути предметом практичної діяльності учнів на заняттях радіотехнічного гуртка, зокрема під час вивчення розділу “Елементи цифрової техніки”.
Робота по виготовленню об’єктів конструювання створює добру основу для системного формування політехнічних знань, розвитку трудових навичок учнів, сприяє формуванню відповідальності за доручену справу, виробляє акуратність в роботі та наполегливість в досягненні мети.
Фотореле. Для дистанційного керування радіоелектронними пристроями при допомозі світлового променя використовують фотореле.
Найпростіше фотореле можна виготовити на базі мікросхеми К155ЛА3 (рис.18). Датчиком освітленості є фотодіод VI типу ФД-3, який ввімкнено до входу мікросхеми DD1. Для підвищення чутливості й надійності роботи мікросхеми, її входи 1 та 2 об'єднано. Вихід мікросхеми під’єднано до транзисторного ключа V2.
Якщо, при ввімкненому живленні, фотодіод затемнений, то на ньому винекне деякий спад потенціалу, зменшиться потенціал і на виході елемента DD1.1, транзистор V2 відкриється, реле K1 спрацює.
Рис. 18.
Якщо фотодіод освітити, то його опір зменшиться і спад напруги на вході МС DD1 зменшиться практично до нуля. Тоді потенціал на виході інвертора значно зросте, транзистор V2 закриється реле К1 буде знеструмлене.
Резистори R1 та R2 обмежують струм бази транзистора V2. Діод V3 запобігає пробою транзистора V2 (він шунтує ЕРС самоіндукції, яка виникає в обмотці реле при його знеструмленні). Резистори типу МЛТ-0,25; транзистор V2 - МП13—МП16, МП39—МП41; реле РЭС15 або будь-яке інше із струмом опрацювання до 20 мА та опором обмотки 300— 400 Ом.
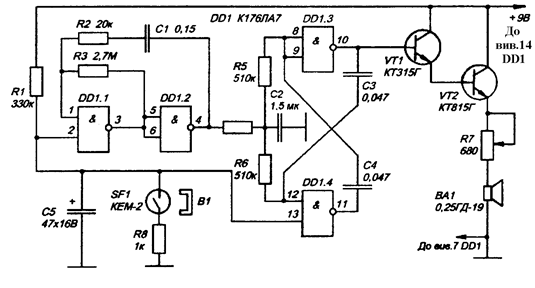
Рис. 19
Пристрої охоронної сигналізації. На рис. 19 зображено схему сигналізатора типу «сирена». В ньому передбачено затримку спрацювання сигналізації на 10 секунд. В момент розмикання контактів геркона SF1 конденсатор C5 починає заряджатися через резистор R1. Приблизно через 10 секунд на входах 2, 13 мікросхеми DD1 з'явиться логічна "1" і спрацьовує сигналізація. Резистор R8 зменшує струм розряду конденсатора C5.
На логічних елементах DD1.2, DD1,2 зібрано модульований мультивібратор. З конденсатора C2 знімають пилкоподібні імпульси, які забезпечують модулювання частоти мультивібратора з перехресними резистивно-ємнісними зворотніми зв'язками на логічних елементах DD1.3, DD1.4. Тобто відбувається перетворення напруги на конденсаторі С2 в частоту. Девіація частоти змінює тембр звучання гучномовця BA1. Підсилювач потужності виконано на транзисторах VT2, VT3.
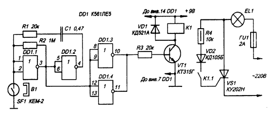
Пристрої світлової сигналізації. Світлова сигналізація в охоронних електронних пристроях є ефективним попереджувальним засобом. На рис. 20 зображено схему такого сигналізатора.
Рис. 20
Коли віддалити магніт B1 від геркона, то мультивібратор на логічних елементах DD1.1, DD1.2 починає генерувати імпульси з частотою 1 Гц. Вільний елемент DD1.4 ввімкнуто паралельно до DD1.4 для поліпшення навантажувальних характеристик. Транзистор VT1, що працює в ключовому режимі, керує реле K1, яке своїми контактами K1.1 з частотою 1 Гц то відкриває, то закриває тринiстор VS1, який комутує живлення лампи (її потужність може сягати 200 Вт).
Інші реферати на тему «Педагогіка, виховання»:
Методика підготовки і проведення практичного заняття "Оцінка екологічної стабільності території" з дисципліни "Землевпорядне проектування" з використанням інформаційно-комунікаційних технологій
Теоретичні основи позакласної роботи з іноземної мови
Єкологічне виховання студентів вищих технічних навчальних закладів
Моральне виховання старших дошкільників
Стан та розвиток професійно-технічних навчальних закладів швейного профілю в Україні в 1958-2008 рр
