Сторінка
1
Завдання:
Q = 1800 кг/год.
t
р = 45˚C
t
р =21˚C
tв.п. = 19˚C
tв.к = 41˚C
Концентрація цукрового розчину 33 %
ЗМІСТ
Вступ
1.Описання проектованого апарата
2.Місце та призначення апарата в технологічній схемі
3. Розрахунки
3.1.Тепловий розрахунок
3.2.Конструктивний розрахунок
3.3.Гідравлічний розрахунок
3.4.Розрахунок теплової ізоляції
3.5 Техніко-економічні розрахунки
Список використаної літератури
ВСТУП
Теплообмінні апарати різних конструкцій широко використовують в харчовій і інших галузях промисловості.
Теплообміном називають процес передачі теплоти від одного тіла до другого. Необхідною і достатньою умовою для теплообміну є різниця температур між цими тілами. Мірою теплообміну вважають кількість переданої теплоти.
Речовини, які беруть участь у процесі теплообміну, називають теплоносіями. Речовину з вищою температурою називають гарячим теплоносієм, а речовину з нижчою температурою - холодним. Як гарячі теплоносії в харчовій промисловості найчастіше використовують водяну пару, гарячу воду, нагріте повітря, димові гази і гарячі мінеральні масла, а як холодні теплоносії – воду, повітря, ропу ( розсол), аміак і фреони.
Процеси теплообміну відбуваються повсюди, де необхідно нагрівати або охолоджувати те чи інше середовище з метою його обробки або для утилізації тепла. Для передачі тепла від середовища з високою температурою до середовища з низькою використовують теплообмінні апарати різних конструкцій.
Вимоги до промислових теплообмінних апаратів в залежності від конкретних умов використання досить різноманітні. Основними з них є: забезпечення найбільш високого коефіцієнта теплопередачі при можливо меншому гідравлічному опорі; компактність і найменша витрати матеріалів на одиницю теплової потужності апаратів; надійність і герметичність у поєднанні з розбірністю і доступністю до поверхні теплообміну для механічного очищення від забруднень Ії.
Через велику різноманітність вимог до теплообмінних апаратів, економічно невигідно, а часто і зовсім недоцільно обмежитись будь-якою однією конструкцією теплообмінників.
За способом передачі тепла теплообмінні апарати ( їх часто називають теплообмінниками) можна поділити на дві основні групи: поверхневі теплообмінники і теплообмінники змішування.
В поверхневих теплообмінниках передача тепла від одного середовища до іншого відбувається звичайно через металеву стінку, яку умовно прийнято називати поверхнею теплообміну.
В теплообмінниках змішування передача тепла відбувається в процесі безпосереднього з’єднання і перемішування середовищ , що ,вочевидь, допустимо лише за певних умов, які значно обмежують використання апаратів такого типу.
1.Описання проектованого апарата
В залежності від конструктивного виконання поверхневі теплообмінники
поділяють на трубчаті, пластинчасті, спіральні, теплообмінники з рубашкою і теплообмінники з оребреною поверхнею. Трубчаті теплообмінники зустрічаються кожухотрубні, типу ”труба в трубі”, зрошувальні та змієвікові.
Змієвикові теплообмінники за класифікацією відносять до заглибних теплообмінників.
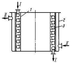
Такий теплообмінник являє собою корпус 2 , закритий вгорі кришкою . Змійовик 3 занурений у рідину, яку охолоджують.( див. креслення) Для підводу розчину слугує патрубок Б, виходу розчину - патрубок В. Охолодна вода подається через патрубок Г і виходить відпрацьована вода через патрубок Д.
Коефіцієнт теплопередачі в цих теплообмінниках порівняно низький , але через простоту виготовлення вони набули значного поширення.
На рис.1.1 наведена схема руху теплоносіїв в змійовиковому теплообміннику
Рис. 1.1 Схема заглибного змійовикового теплообмінника
І – цукровий розчин; ІІ – охолодна вода
1 – витіснюваний стакан;
2 – корпус;
3 – змійовик.
2. Місце та призначення апарата в технологічній схемі
Даний курсовий проект передбачає охолодження цукрового розчину у виробництві батонів . За цією схемою цукровий сироп перед подачею в тістомісильну машину охолоджується в теплообміннику 24 до температури 21˚С. Сюди ж подається сіль , борошно, дріжджі і вода. Замішене тісто поступає в бункер 7, звідки подається на тістоділитель 22, потім шматки тіста закруглюються на тістозакруглювачі 20 і ковшовим транспортером 19 подаються в тістозакаточну машину з відбраковщиком шматків тіста 18. Потім заготовки поступають у шафу остаточного розшарування тіста 8 і надходять в тунельну піч 9. Випечені батони конвеєром –транспортером 17 подаються в конвеєрну шафу для охолодження хліба 10, звідки через циркуляційний стіл 16, укладаються в контейнери для хліба 11 і завантажувачем 13 транспортуються в машини і до споживача.
3. Розрахунки
Вихідні дані:
Q = 1800 кг/год. = 0,5кг/с
t
р = 45˚C
t
р =21˚C
tв.п. = 19˚C
tв.к = 41˚C
Концентрація цукрового розчину СР= 33 %
3.1. Тепловий розрахунок
Середню різницю температур між розчином і охолодною водою визначаємо як середньологарифмічну різницю:
Δt
=
;
(3.1.2)
Інші реферати на тему «Технічні науки»:
Метрологія і номенклатура речовин — засоби наукового пізнання природи, техніки та економіки
Технічне обслуговування і ремонт обладнання підприємств хімічної і нафтогазової промисловості
Складові і процеси природних екосистем
Природні системи абіотичного середовища біосфери
Опорядження гіпсокартонними листами
